秧田良品
會員中心
聯絡我們
搜尋
Submit
選單
最新消息
最新消息
媒體報導
純滴雞精
活動專區
商品系列
Gaea格雅雞 滴雞精|雞肉鬆
有機飲品|茶品
香草紅藜棒|雜糧乾貨
生鮮食品區
年度會員專區
花蓮小農專區
居家生活用品|香氛
【限時預購】產地直送有機芋頭
關於秧田
品牌故事
香草故事
小農故事
研發團隊
產學合作
檢驗報告
會員禮遇
客服中心
購物說明
常見問題
聯絡我們
銷售據點
推薦
NEW
Share this product
分享至Facebook
分享至Google+
分享至LINE
Gaea格雅雞海苔雞肉鬆
產品描述
有身分的履歷雞肉 無抗養殖餵養。獨門炒鬆技術 酥脆好吃低脂營養。老少咸宜 配搭變化 滿足全家
產品編號
A5104300008
保存期限
12個月
規格
200g|海苔
容量
產地
台灣花蓮
產品介紹
規格成分
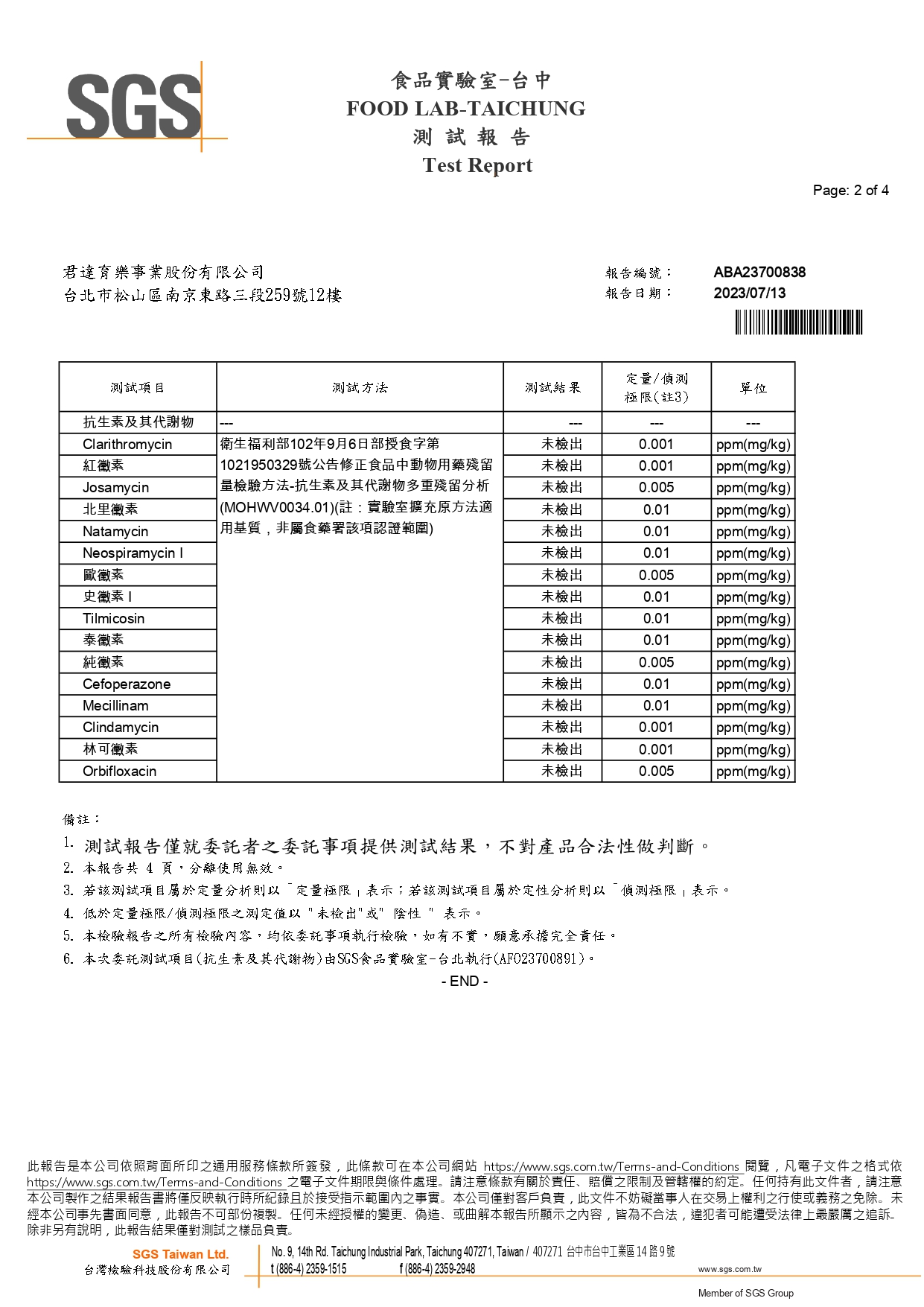
檢驗報告
產品名稱:格雅雞肉鬆_海苔
主要原料:格雅雞肉、豌豆粉、醬油、芥花油、砂糖、碘鹽、海苔
★產地:台灣 ★規格:200g ★保存期限:12個月
推薦產品
Recommend
360ml±3%/瓶;6入禮盒裝
有機原味香豆奶 (無糖) - 6入禮盒裝
詳細
直接購買
LINE
TOP